Главная > Подшипники> Роликовые > Радиально-упорные>95451D/95925

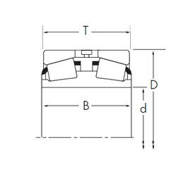
95451D/95925 — Конический роликоподшипник, импортное производство по ISO стандарту, размер 114x234x139 номер основного исполнения .
Производитель: TIMKEN.
D = профиль наружного кольца, усовершенствованный, с увеличенной зоной несущей нагрузки и оптимизированными краевыми переходами.
Цена по запросу
Цена на подшипник зависит от:
Габаритные размеры
Размеры и геометрические характеристики
Защита
Конструкция и исполнение