Главная > Подшипники> Роликовые > Радиально-упорные>94706D/94113+Y7S-94113

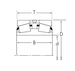
94706D/94113+Y7S-94113 — Конический роликоподшипник, импортное производство по ISO стандарту, размер 177x288x123 номер основного исполнения .
Производитель: TIMKEN.
D = профиль наружного кольца, усовершенствованный, с увеличенной зоной несущей нагрузки и оптимизированными краевыми переходами.
Цена по запросу
Цена на подшипник зависит от:
Габаритные размеры
Размеры и геометрические характеристики
Защита
Конструкция и исполнение
Конический роликоподшипник HM237546D/HM237510+A (NTN)
Конический роликоподшипник T-94706D/94113+A (NTN)
Конический роликоподшипник T-HM237546D/HM237510+A (NTN)
Конический роликоподшипник HM237546D/HM237510+HM237510EF (TIMKEN)