Главная > Подшипники> Роликовые > Радиально-упорные>94700/94113A

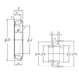
94700/94113A — Подшипник роликовый радиально-упорный, импортное производство по ISO стандарту, размер 177x288x63 номер основного исполнения .
Производитель: KOYO.
A = внутренняя модификация конструкции.
Цена по запросу
Цена на подшипник зависит от:
Габаритные размеры
Размеры и геометрические характеристики
Нагрузка и ресурс
Защита
Коэффициенты для расчета
Присоединительные размеры
Конструкция и исполнение
Однорядный конический роликовый подшипник 94700/94113 (CX, ISO, KOYO, NSK, TIMKEN)
Однорядный конический роликовый подшипник HM237545/HM237510 (KOYO, NSK, TIMKEN)
Подшипник роликовый радиально-упорный 280177X/280288X (Gamet)
Подшипник роликовый радиально-упорный 280177X/280288XC (Gamet)
Конический роликоподшипник 94700/94113B (TIMKEN)
Подшипник роликовый радиально-упорный HM237545/10 (CX, ISO)