Главная > Подшипники> Роликовые > Радиально-упорные>946D/932+Y9S-932

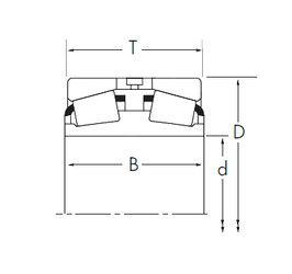
946D/932+Y9S-932 — Конический роликоподшипник, импортное производство по ISO стандарту, размер 107x212x142 номер основного исполнения .
Производитель: TIMKEN.
D = профиль наружного кольца, усовершенствованный, с увеличенной зоной несущей нагрузки и оптимизированными краевыми переходами.
Цена по запросу
Цена на подшипник зависит от:
Габаритные размеры
Размеры и геометрические характеристики
Защита
Конструкция и исполнение
Конический роликоподшипник 936/932CD+X3S-936 (TIMKEN)
Конический роликоподшипник HH224340/HH224310CD+HH224340XA (TIMKEN)