Главная > Подшипники> Роликовые > Радиально-упорные>94675/94113A

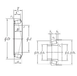
94675/94113A — Подшипник роликовый радиально-упорный, импортное производство по ISO стандарту, размер 171x288x63 номер основного исполнения .
Производитель: KOYO.
A = внутренняя модификация конструкции.
Цена по запросу
Цена на подшипник зависит от:
Габаритные размеры
Размеры и геометрические характеристики
Нагрузка и ресурс
Защита
Коэффициенты для расчета
Присоединительные размеры
Конструкция и исполнение