Главная > Подшипники> Роликовые > Радиально-упорные>938S/932

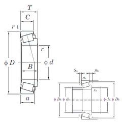
938S/932 — Подшипник роликовый радиально-упорный, импортное производство по ISO стандарту, размер 114x228x66 номер основного исполнения .
Производитель: KOYO.
S = смазочный паз и три отверстия в наружном кольце подшипника.
Цена от:6 743 р.
Цена на подшипник зависит от:
Габаритные размеры
Размеры и геометрические характеристики
Нагрузка и ресурс
Защита
Коэффициенты для расчета
Присоединительные размеры
Конструкция и исполнение