Главная > Подшипники> Роликовые > Радиально-упорные>9380R/9320

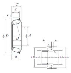
9380R/9320 — Подшипник роликовый радиально-упорный, импортное производство по ISO стандарту, размер 76x228x46 номер основного исполнения .
Производитель: KOYO.
R = Наружное кольцо с фланцем .
Цена от:10 846 р.
Цена на подшипник зависит от:
Габаритные размеры
Размеры и геометрические характеристики
Нагрузка и ресурс
Защита
Коэффициенты для расчета
Присоединительные размеры
Конструкция и исполнение