Главная > Подшипники> Роликовые > Радиально-упорные>93800D/93125+Y11S-93125

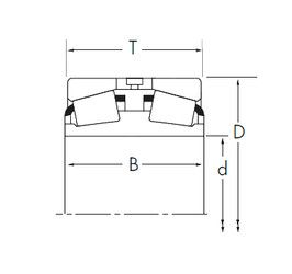
93800D/93125+Y11S-93125 — Конический роликоподшипник, импортное производство по ISO стандарту, размер 203x317x123 номер основного исполнения .
Производитель: TIMKEN.
D = профиль наружного кольца, усовершенствованный, с увеличенной зоной несущей нагрузки и оптимизированными краевыми переходами.
Цена от:57 712 р.
Цена на подшипник зависит от:
Габаритные размеры
Размеры и геометрические характеристики
Защита
Конструкция и исполнение