Главная > Подшипники> Роликовые > Радиально-упорные>938/932

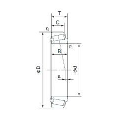
938/932 — Однорядный конический роликовый подшипник, импортное производство по ISO стандарту, размер 114x212x66 номер основного исполнения .
Производится брендами: CX, FBJ, ISO, KOYO, NACHI, NIS, NSK, TIMKEN.
Цена от:12 147 р.
Цена на подшипник зависит от:
Габаритные размеры
Размеры и геометрические характеристики
Нагрузка и ресурс
Защита
Коэффициенты для расчета
Присоединительные размеры
Конструкция и исполнение
Прочие характеристики
Однорядный конический роликовый подшипник HH224349/HH224310 (KOYO, NSK, TIMKEN)
Конический роликоподшипник 4T-938/932 (NTN)
Конический роликоподшипник 4T-HH224346/HH224310 (NTN)
Однорядный конический роликовый подшипник 938/932B (TIMKEN)
Однорядный конический роликовый подшипник HH224346/HH224310 (FBJ, KOYO, NACHI, NIS, NSK)
Подшипник роликовый радиально-упорный HH224349/10 (CX, ISO)