Главная > Подшипники> Роликовые > Радиально-упорные>93788D/93125+Y15S-93125

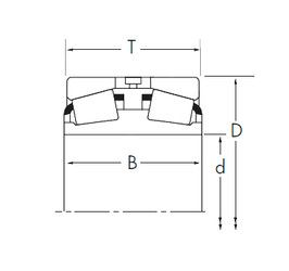
93788D/93125+Y15S-93125 — Конический роликоподшипник, импортное производство по ISO стандарту, размер 199x317x133 номер основного исполнения .
Производитель: TIMKEN.
D = профиль наружного кольца, усовершенствованный, с увеличенной зоной несущей нагрузки и оптимизированными краевыми переходами.
Цена по запросу
Цена на подшипник зависит от:
Габаритные размеры
Размеры и геометрические характеристики
Защита
Конструкция и исполнение