Главная > Подшипники> Шариковые> Радиально-упорные>90TVL710

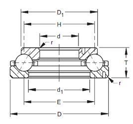
90TVL710 — Радиально-упорный шарикоподшипник, импортное производство по ISO стандарту, размер 228x295x38 номер основного исполнения .
Производитель: TIMKEN.
V = Увеличенная грузоподъемность, внутренняя модификация конструкции.
Цена по запросу
Цена на подшипник зависит от:
Габаритные размеры
Размеры и геометрические характеристики
Защита
Конструкция и исполнение