Главная > Подшипники> Шариковые> Радиально-упорные>90TAH10DB

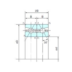
90TAH10DB — Радиально-упорный шарикоподшипник, импортное производство по ISO стандарту, размер 90x140x22 номер основного исполнения .
Производитель: NACHI.
D = профиль наружного кольца, усовершенствованный, с увеличенной зоной несущей нагрузки и оптимизированными краевыми переходами.
Цена по запросу
Цена на подшипник зависит от:
Габаритные размеры
Размеры и геометрические характеристики
Нагрузка и ресурс
Защита
Конструкция и исполнение
Радиально-упорный шарикоподшипник 90BAR10H (NSK)
Радиально-упорный шарикоподшипник 90BAR10S (NSK)
Радиально-упорный шарикоподшипник 90TBH10DB (NACHI)
Радиально-упорный шарикоподшипник 90BTR10S (NSK)
Радиально-упорный шарикоподшипник 90BTR10H (NSK)
Радиально-упорный шарикоподшипник HTA018DB (NTN)