Главная > Подшипники> Роликовые > Радиально-упорные>9067/9196

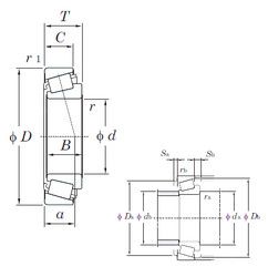
9067/9196 — Подшипник роликовый радиально-упорный, импортное производство по ISO стандарту номер основного исполнения .
Производитель: KOYO.
Цена по запросу
Цена на подшипник зависит от:
Габаритные размеры
Размеры и геометрические характеристики
Нагрузка и ресурс
Защита
Присоединительные размеры
Конструкция и исполнение