Главная > Подшипники> Роликовые > Игольчатые>8MM1210

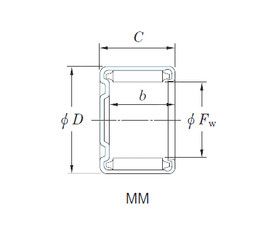
8MM1210 — Подшипник игольчатый радиальный, импортное производство по ISO стандарту, размер 8x12x10 номер основного исполнения .
Производитель: KOYO.
Цена по запросу
Цена на подшипник зависит от:
Габаритные размеры
Размеры и геометрические характеристики
Нагрузка и ресурс
Защита
Конструкция и исполнение
Другие размеры
Подшипник игольчатый радиальный CK081210E (EPK)
Подшипник роликовый игольчатый с наружным кольцом с плоским дном с сепаратором ВК081210
Подшипник роликовый игольчатый К8х12х10 Е (ГПЗ-11)
Подшипник игольчатый радиальный КВК8х12х10 Е (ГПЗ-11)
Подшипник радиальный роликовый игольчатый однорядный без колец К8X12X10
Подшипник игольчатый радиальный КВК8х12х10 Д (ГПЗ-11)