Главная > Подшипники> Роликовые > Радиально-упорные>841R/832

841R/832 — Подшипник роликовый радиально-упорный, импортное производство по ISO стандарту, размер 85x168x53 номер основного исполнения .
Производитель: KOYO.
R = Наружное кольцо с фланцем .
Цена от:26 306 р.
Цена на подшипник зависит от:
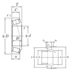
Габаритные размеры
Размеры и геометрические характеристики
Нагрузка и ресурс
Защита
Коэффициенты для расчета
Присоединительные размеры
Конструкция и исполнение
Конический роликоподшипник 4T-841/832 (NTN)
Однорядный конический роликовый подшипник 841/832 (CX, ISO, NACHI, TIMKEN)