Главная > Подшипники>8326НГ

8326НГ — Подшипник шариковый упорный, отечественное производство по ГОСТ стандарту номер основного исполнения 8326.
Производитель: EPK.
Н = Кольца и тела вращенияиз модифицированной жаропрочной стали. Г = Сепаратор из черных металлов.
Цена по запросу
Цена на подшипник зависит от:
| Обозначение | Модификация |
|---|---|
| 8326 | Основное конструктивное исполнение. |
| 8326Н | Н = штампованный защелкивающийся стальной закаленный сепаратор. |
| 8326 Л | Л = Латунный сепаратор. |
| 8326 НЛ | Н = Кольца и тела вращенияиз модифицированной жаропрочной стали. Л = Сепаратор из латуни. |
| 6-8326 Л | Л = Латунный сепаратор. |
| 8-8326 Л | Л = Латунный сепаратор. |
| С8-8326 Л | Л = Латунный сепаратор. |
| 5В0-8326 Л | Л = Латунный сепаратор. |
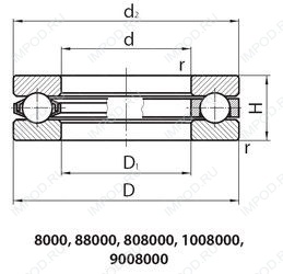
Габаритные размеры
Размеры и геометрические характеристики
Нагрузка и ресурс
Защита
Конструкция и исполнение