Главная > Подшипники>8324Г

8324Г — Подшипник шариковый упорный, отечественное производство по ГОСТ стандарту номер основного исполнения 8324.
Производитель: EPK.
Г = Сепаратор из черных металлов.
Цена по запросу
Цена на подшипник зависит от:
Габаритные размеры
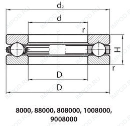
Размеры и геометрические характеристики
Нагрузка и ресурс
Защита
Конструкция и исполнение
Подшипник шариковый упорный 18324К (EPK)
Подшипник шариковый упорный 6-18324 (ГПЗ-1)
Подшипник шариковый упорный 5В0-18324 (ГПЗ-1)
Подшипник шариковый упорный 8-18324 (ГПЗ-1)
Подшипник шариковый упорный С8-18324 (ГПЗ-1)
Подшипник роликовый упорно-радиальный 9039324K (EPK)