Главная > Подшипники> Шариковые> Упорные>8320К

8320К — Подшипник шариковый упорный, отечественное производство по ГОСТ стандарту номер основного исполнения 8320.
Производитель: EPK.
К = Конструктивное изменение зависящее от типа подшипника.
Цена по запросу
Цена на подшипник зависит от:
| Обозначение | Модификация |
|---|---|
| 8320 | Основное конструктивное исполнение. |
| 8320Н | Н = штампованный защелкивающийся стальной закаленный сепаратор. |
| 8320 Л | Л = Латунный сепаратор. |
| 8320НЕ | E = Угол контакта 25 градусов. |
| 8320НГ | Н = Кольца и тела вращенияиз модифицированной жаропрочной стали. Г = Сепаратор из черных металлов. |
| 8320НЛ | Н = Кольца и тела вращенияиз модифицированной жаропрочной стали. Л = Сепаратор из латуни. |
| 5-8320 Л | Л = Латунный сепаратор. |
| 6-8320 Л | Л = Латунный сепаратор. |
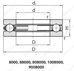
Габаритные размеры
Размеры и геометрические характеристики
Нагрузка и ресурс
Защита
Конструкция и исполнение
Подшипник шариковый упорный 5В0-18320 (ГПЗ-1)
Подшипник шариковый упорный 8-38224 (ГПЗ-1)
Подшипник роликовый цилиндрический в сборе с сепаратором K89320-M (INA, NBS, SKF)
Упорный роликоподшипник K89320 (NTN)