Главная > Подшипники> Шариковые> Упорные>8230НГ

8230НГ — Подшипник шариковый упорный, отечественное производство по ГОСТ стандарту номер основного исполнения 8230.
Производитель: EPK.
Н = Кольца и тела вращенияиз модифицированной жаропрочной стали. Г = Сепаратор из черных металлов.
Цена по запросу
Цена на подшипник зависит от:
| Обозначение | Модификация |
|---|---|
| 8230 | Основное конструктивное исполнение. |
| 8230Н | Н = штампованный защелкивающийся стальной закаленный сепаратор. |
| 8230 Л | Л = Латунный сепаратор. |
| 8230 НЛ | Н = Кольца и тела вращенияиз модифицированной жаропрочной стали. Л = Сепаратор из латуни. |
| 6-8230 Л | Л = Латунный сепаратор. |
| 8-8230 Л | Л = Латунный сепаратор. |
| С8-8230 Л | Л = Латунный сепаратор. |
| 5В0-8230 Л | Л = Латунный сепаратор. |
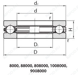
Габаритные размеры
Размеры и геометрические характеристики
Нагрузка и ресурс
Защита
Конструкция и исполнение
Подшипник роликовый упорный 70-9230 ЛМ (ГПЗ-10)
Подшипник упорный с короткими цилиндрическими роликами однорядный без колец 999230
Упорный роликоподшипник K81230TN (NBS)