Главная > Подшипники> Шариковые> Упорные>8156НГ

8156НГ — Подшипник шариковый упорный, отечественное производство по ГОСТ стандарту номер основного исполнения 8156.
Производитель: EPK.
Н = Кольца и тела вращенияиз модифицированной жаропрочной стали. Г = Сепаратор из черных металлов.
Цена по запросу
Цена на подшипник зависит от:
| Обозначение | Модификация |
|---|---|
| 8156 | Основное конструктивное исполнение. |
| 8156Н | Н = штампованный защелкивающийся стальной закаленный сепаратор. |
| 8156 Л | Л = Латунный сепаратор. |
| 8156 НЛ | Н = Кольца и тела вращенияиз модифицированной жаропрочной стали. Л = Сепаратор из латуни. |
| 6-8156 Л | Л = Латунный сепаратор. |
| С8-8156 Л | Л = Латунный сепаратор. |
| 5В0-8156 Л | Л = Латунный сепаратор. |
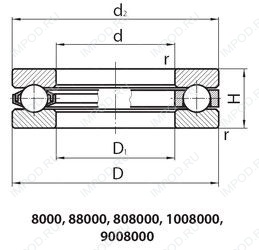
Габаритные размеры
Размеры и геометрические характеристики
Нагрузка и ресурс
Защита
Конструкция и исполнение
Подшипник упорный с короткими цилиндрическими роликами однорядный без колец 999156
Цилиндрический роликоподшипник NJ3856 (CX, ISO)
Подшипник роликовый цилиндрический двухрядный NNC4856 V (CX, ISO)
Подшипник роликовый цилиндрический двухрядный NNC4856CV (SKF)
Цилиндрический роликоподшипник NP3856 (CX, ISO)
Цилиндрический роликоподшипник NU3856 (CX, ISO)