Главная > Подшипники> Шариковые> Упорные>8152НГ

8152НГ — Подшипник шариковый упорный, отечественное производство по ГОСТ стандарту номер основного исполнения 8152.
Производитель: EPK.
Н = Кольца и тела вращенияиз модифицированной жаропрочной стали. Г = Сепаратор из черных металлов.
Цена по запросу
Цена на подшипник зависит от:
| Обозначение | Модификация |
|---|---|
| 8152 | Основное конструктивное исполнение. |
| 8152Н | Н = штампованный защелкивающийся стальной закаленный сепаратор. |
| 8152 Л | Л = Латунный сепаратор. |
| 8152НЛ | Н = Кольца и тела вращенияиз модифицированной жаропрочной стали. Л = Сепаратор из латуни. |
| 6-8152 Л | Л = Латунный сепаратор. |
| 8-8152 Л | Л = Латунный сепаратор. |
| 5В0-8152 Л | Л = Латунный сепаратор. |
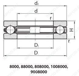
Габаритные размеры
Размеры и геометрические характеристики
Нагрузка и ресурс
Защита
Конструкция и исполнение
Подшипник роликовый упорный 2-9152 (ГПЗ-4)
Подшипник упорный с короткими цилиндрическими роликами однорядный без колец 999152
Подшипник роликовый цилиндрический двухрядный NNC4852 V (CX, ISO)
Подшипник роликовый цилиндрический двухрядный NNC4852CV (SKF)
Цилиндрический роликоподшипник RNNU5218 (NTN)
Цилиндрический роликоподшипник RS-4852E4 (NSK)