Главная > Подшипники> Шариковые> Упорные>8136НГ

8136НГ — Подшипник шариковый упорный, отечественное производство по ГОСТ стандарту номер основного исполнения 8136.
Производитель: EPK.
Н = Кольца и тела вращенияиз модифицированной жаропрочной стали. Г = Сепаратор из черных металлов.
Цена по запросу
Цена на подшипник зависит от:
| Обозначение | Модификация |
|---|---|
| 8136 | Основное конструктивное исполнение. |
| 8136Н | Н = штампованный защелкивающийся стальной закаленный сепаратор. |
| 8136К | К = Конструктивное изменение зависящее от типа подшипника. |
| 8136 Л | Л = Латунный сепаратор. |
| 8136 НЛ | Н = Кольца и тела вращенияиз модифицированной жаропрочной стали. Л = Сепаратор из латуни. |
| 6-8136 Л | Л = Латунный сепаратор. |
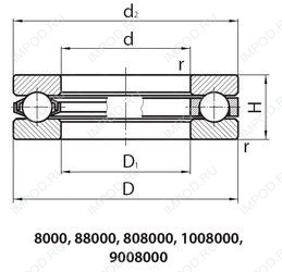
Габаритные размеры
Размеры и геометрические характеристики
Нагрузка и ресурс
Защита
Конструкция и исполнение
Подшипник упорный с короткими цилиндрическими роликами однорядный без колец 999136
Цилиндрический роликоподшипник NN4836 K (CX, ISO)
Цилиндрический роликоподшипник NN4836 (CX, ISO)
Подшипник роликовый цилиндрический двухрядный NNC4836 V (CX, ISO)
Цилиндрический роликоподшипник NNC4836CV (SKF)
Цилиндрический роликоподшипник RS-4836E4 (NSK)