Главная > Подшипники> Роликовые > Радиально-упорные>8125/8231

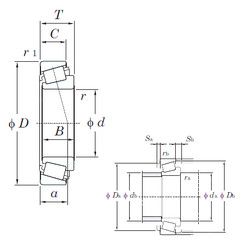
8125/8231 — Однорядный конический роликовый подшипник, импортное производство по ISO стандарту, размер 31x58x14 номер основного исполнения .
Производитель: KOYO.
Цена по запросу
Цена на подшипник зависит от:
Габаритные размеры
Размеры и геометрические характеристики
Нагрузка и ресурс
Защита
Коэффициенты для расчета
Присоединительные размеры
Конструкция и исполнение
Однорядный конический роликовый подшипник 08125/08231 (CX, ISO, NIS, NSK, TIMKEN)
Конический роликоподшипник 4T-08125/08231 (NTN)