Главная > Подшипники> Роликовые > Упорные>81218

81218 — Роликовый цилиндрический упорный подшипник, импортное производство по ISO стандарту основное исполнение.
Производится брендами: CX, ISO, NIS.
Цена от:3 426 р.
Цена на подшипник зависит от:
| Обозначение | Модификация |
|---|---|
| 81218J | J = Сепаратор стальной штампованный незакалённый. |
| 81218TN | TN = Полиамидная клетка. |
| K81218J | Игольчатый роликоподшипник без колец. J = Сепаратор стальной штампованный незакалённый. |
| GS 81218 | Свободное кольцо цилиндрического упорного роликоподшипника. |
| K81218TN | Игольчатый роликоподшипник без колец. TN = Полиамидная клетка. |
| 81218-TV | TV = Твердая клетка из армированного стекловолокном полиамида, шариковая езда. |
| K81218-TV | Игольчатый роликоподшипник без колец. TV = Твердая клетка из армированного стекловолокном полиамида, шариковая езда. |
| 81218-TVPB | TVP = сегментный сепаратор, изготовленный из армированного стекловолокном полиамида PA66 направленная по роликам. |
| K.81218LPB | Игольчатый роликоподшипник без колец. L = массивный сепаратор из лёгкого сплава. |
| K 81218-TVPB | Игольчатый роликоподшипник без колец. TVP = сегментный сепаратор, изготовленный из армированного стекловолокном полиамида PA66 направленная по роликам. |
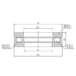
Габаритные размеры
Размеры и геометрические характеристики
Нагрузка и ресурс
Защита
Конструкция и исполнение
Прочие характеристики
Подшипник шариковый упорный 4-8218 (ГПЗ-2)
Подшипник шариковый упорный 9588218 С9 (ГПЗ-2)
Подшипник упорный с короткими цилиндрическими роликами однорядный без колец 999218