Главная > Подшипники> Роликовые > Упорные>81206-TVPB

81206-TVPB — Роликовый цилиндрический упорный подшипник, импортное производство по ISO стандарту, размер 30x52x16 номер основного исполнения 81206.
Производитель: NKE.
TVP = сегментный сепаратор, изготовленный из армированного стекловолокном полиамида PA66 направленная по роликам.
Цена от:354 р.
Цена на подшипник зависит от:
| Обозначение | Модификация |
|---|---|
| 81206 | Основное конструктивное исполнение. |
| K81206 | Игольчатый роликоподшипник без колец. |
| 81206TN | TN = Полиамидная клетка. |
| K81206TN | Игольчатый роликоподшипник без колец. TN = Полиамидная клетка. |
| 81206-TV | TV = Твердая клетка из армированного стекловолокном полиамида, шариковая езда. |
| K81206-TV | Игольчатый роликоподшипник без колец. TV = Твердая клетка из армированного стекловолокном полиамида, шариковая езда. |
| K.81206LPB | Игольчатый роликоподшипник без колец. L = массивный сепаратор из лёгкого сплава. |
| K.81206TVP | Игольчатый роликоподшипник без колец. TVP = сегментный сепаратор, изготовленный из армированного стекловолокном полиамида PA66 направленная по роликам. |
| K 81206-TVPB | Игольчатый роликоподшипник без колец. TVP = сегментный сепаратор, изготовленный из армированного стекловолокном полиамида PA66 направленная по роликам. |
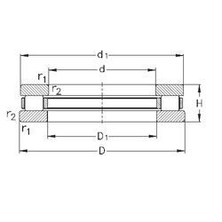
Габаритные размеры
Размеры и геометрические характеристики
Нагрузка и ресурс
Защита
Конструкция и исполнение
Подшипник упорный шариковый одинарный 8206
Подшипник шариковый радиальный 8206 К (ГПЗ-3)
Подшипник упорный шариковый одинарный 5-8206 (ГПЗ-2)
Подшипник упорный шариковый одинарный 6-8206 К (ГПЗ-20)
Подшипник шариковый радиальный 6-8206
Подшипник упорный шариковый одинарный 8206Н