Главная > Подшипники> Роликовые > Упорные>81172-MB

81172-MB — Роликовый цилиндрический упорный подшипник, импортное производство по ISO стандарту, размер 360x440x65 номер основного исполнения 81172.
Производитель: NKE.
MB = Обработанный латунный сепаратор с внутренним кольцом.
Цена по запросу
Цена на подшипник зависит от:
| Обозначение | Модификация |
|---|---|
| 81172 | Основное конструктивное исполнение. |
| 81172M | M = массивный латунный сепаратор. |
| K81172s-M | Игольчатый роликоподшипник без колец. S = смазочный паз и три отверстия в наружном кольце подшипника. |
| K 81172-MB | Игольчатый роликоподшипник без колец. MB = Обработанный латунный сепаратор с внутренним кольцом. |
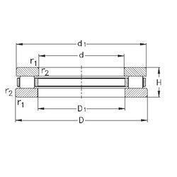
Габаритные размеры
Размеры и геометрические характеристики
Нагрузка и ресурс
Защита
Конструкция и исполнение
Подшипник шариковый упорный 51172 (CX, FAG, ISO, KOYO, NACHI)
Подшипник упорный шариковый одинарный 8172
Подшипник шариковый упорный 51172 M (FAG, ISB, NIS)
Подшипник упорный шариковый одинарный 4-8172 Л (ГПЗ-1)
Подшипник упорный шариковый одинарный 8172 Л
Подшипник упорный шариковый одинарный 8172Н