Главная > Подшипники> Роликовые > Упорные>81152-MB

81152-MB — Упорный роликоподшипник, импортное производство по ISO стандарту, размер 260x320x45 номер основного исполнения 81152.
Производитель: NKE.
MB = Обработанный латунный сепаратор с внутренним кольцом.
Цена от:64 995 р.
Цена на подшипник зависит от:
| Обозначение | Модификация |
|---|---|
| 81152 | Основное конструктивное исполнение. |
| 81152-M | M = массивный латунный сепаратор. |
| K81152-M | Игольчатый роликоподшипник без колец. M = массивный латунный сепаратор. |
| GS 81152 | Свободное кольцо цилиндрического упорного роликоподшипника. |
| K 81152-MB | Игольчатый роликоподшипник без колец. MB = Обработанный латунный сепаратор с внутренним кольцом. |
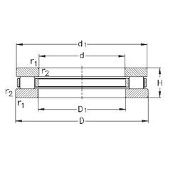
Габаритные размеры
Размеры и геометрические характеристики
Нагрузка и ресурс
Защита
Конструкция и исполнение
Подшипник упорный шариковый одинарный 8152
Подшипник упорный шариковый одинарный 8152 Л
Подшипник упорный шариковый одинарный 8152Н
Подшипник упорный с цилиндрическими роликами одинарный однорядный 9152 (ГПЗ-4)
Подшипник шариковый упорный однонаправленный 51152 (CX, ISO, KOYO, NACHI, NTN)
Подшипник шариковый упорный однонаправленный 51152-MP (FAG, NKE)