Главная > Подшипники> Шариковые> Радиально-упорные>80TBH10DB

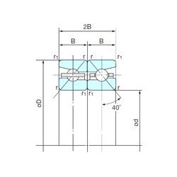
80TBH10DB — Радиально-упорный шарикоподшипник, импортное производство по ISO стандарту, размер 80x125x20 номер основного исполнения .
Производитель: NACHI.
D = профиль наружного кольца, усовершенствованный, с увеличенной зоной несущей нагрузки и оптимизированными краевыми переходами.
Цена по запросу
Цена на подшипник зависит от:
Габаритные размеры
Размеры и геометрические характеристики
Нагрузка и ресурс
Защита
Конструкция и исполнение
Радиально-упорный шарикоподшипник 5S-7016UCG/GNP42 (NTN)
Радиально-упорный шарикоподшипник 5S-7016UADG/GNP42 (NTN)
Радиально-упорный шарикоподшипник 80BAR10H (NSK)
Радиально-упорный шарикоподшипник 80BTR10S (NSK)
Радиально-упорный шарикоподшипник 80BAR10S (NSK)
Радиально-упорный шарикоподшипник 80BTR10H (NSK)