Главная > Подшипники> Шариковые> Радиально-упорные>80BER10XE

80BER10XE — Радиально-упорный шарикоподшипник, импортное производство по ISO стандарту, размер 80x125x22 номер основного исполнения .
Производитель: NSK.
X = Внешние размеры, соответствующие международным стандартам.
Цена по запросу
Цена на подшипник зависит от:
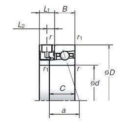
Габаритные размеры
Размеры и геометрические характеристики
Нагрузка и ресурс
Защита
Присоединительные размеры
Конструкция и исполнение
Другие размеры
Подшипник однорядный шариковый радиальный 6016 (AST, CRAFT, CX, CYSD, FAG)
Подшипник шариковый однорядный радиально-упорный 7016 (CYSD, KOYO, NACHI, NTN, SKF)
Подшипник шариковый радиальный однорядный 116