Главная > Подшипники> Шариковые> Упорные>808320К

808320К — Подшипник шариковый упорный, отечественное производство по ГОСТ стандарту номер основного исполнения 808320.
Производитель: EPK.
К = Конструктивное изменение зависящее от типа подшипника.
Цена по запросу
Цена на подшипник зависит от:
| Обозначение | Модификация |
|---|---|
| 6-808320 Л | Л = Латунный сепаратор. |
| 5В0-808320 Л | Л = Латунный сепаратор. |
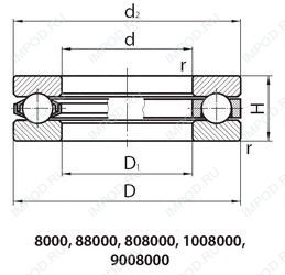
Габаритные размеры
Размеры и геометрические характеристики
Нагрузка и ресурс
Защита
Конструкция и исполнение