Главная > Подшипники> Шариковые> Радиально-упорные>7984A

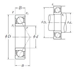
7984A — Радиально-упорный шарикоподшипник, импортное производство по ISO стандарту, размер 420x560x65 номер основного исполнения 7984.
Производитель: NSK.
A = внутренняя модификация конструкции.
Цена по запросу
Цена на подшипник зависит от:
Габаритные размеры
Размеры и геометрические характеристики
Нагрузка и ресурс
Защита
Присоединительные размеры
Конструкция и исполнение
Подшипник шариковый радиальный 61984 (CX, ISO)
Подшипник однорядный шариковый радиальный 61984 MA (ISB, NKE, SKF)
Радиальный шарикоподшипник 6984 (KOYO, NSK, NTN)
Цилиндрический роликоподшипник N1984 (CX, ISO)
Цилиндрический роликоподшипник N1984K (NTN)
Однорядный цилиндрический роликовый подшипник NF1984 (CX, ISO)