Главная > Подшипники> Шариковые> Радиально-упорные>7980A

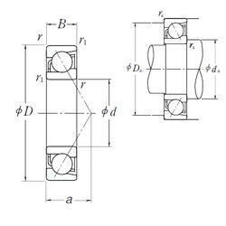
7980A — Радиально-упорный шарикоподшипник, импортное производство по ISO стандарту, размер 400x540x65 номер основного исполнения 7980.
Производитель: NSK.
A = внутренняя модификация конструкции.
Цена по запросу
Цена на подшипник зависит от:
Габаритные размеры
Размеры и геометрические характеристики
Нагрузка и ресурс
Защита
Присоединительные размеры
Конструкция и исполнение
Подшипник роликовый радиальный 1032980 M
Подшипник роликовый радиальный 1232980 ЛМ (ГПЗ-9)
Подшипник роликовый радиальный 1032980М
Подшипник роликовый радиальный с короткими цилиндрическими роликами без бортов на внутреннем кольце 1032980 (ГПЗ-9)
Подшипник роликовый радиальный 30-1232980 ЛМ (ГПЗ-9)
Подшипник однорядный шариковый радиальный 61980 MA (ISB, NKE, SKF)