Главная > Подшипники> Шариковые> Радиально-упорные>7976B

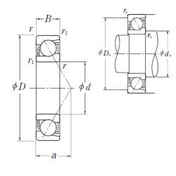
7976B — Радиально-упорный шарикоподшипник, импортное производство по ISO стандарту, размер 380x520x65 номер основного исполнения 7976.
Производитель: NSK.
B = однокомпонентное ребристое внутреннее кольцо.
Цена по запросу
Цена на подшипник зависит от:
Габаритные размеры
Размеры и геометрические характеристики
Нагрузка и ресурс
Защита
Присоединительные размеры
Конструкция и исполнение
Подшипник однорядный шариковый радиальный 61976 (CX, ISO, SKF)
Подшипник однорядный шариковый радиальный 61976 MA.C3 (SKF)
Подшипник роликовый радиально-упорный 1007976Л
Подшипник роликовый радиально-упорный 1097976К
Подшипник однорядный шариковый радиальный 61976-MA (ISB, NKE, SKF)
Радиальный шарикоподшипник 6976 (KOYO, NSK, NTN)