Главная > Подшипники> Шариковые> Радиально-упорные>7972B

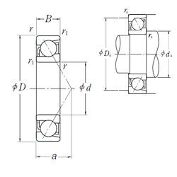
7972B — Радиально-упорный шарикоподшипник, импортное производство по ISO стандарту, размер 360x480x56 номер основного исполнения .
Производитель: NSK.
B = однокомпонентное ребристое внутреннее кольцо.
Цена по запросу
Цена на подшипник зависит от:
Габаритные размеры
Размеры и геометрические характеристики
Нагрузка и ресурс
Защита
Присоединительные размеры
Конструкция и исполнение
Подшипник однорядный шариковый радиальный 61972 MA (ISB, NKE, SKF)
Подшипник шариковый радиальный 61972 (CX, ISO, ZEN)
Радиальный шарикоподшипник 6972 (KOYO, NSK, NTN)
Цилиндрический роликоподшипник N1972 (CX, ISO)
Цилиндрический роликоподшипник NF1972 (CX, ISO)
Цилиндрический роликоподшипник NP1972 (CX, ISO)