Главная > Подшипники> Шариковые> Радиально-упорные>7972A

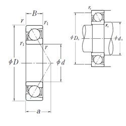
7972A — Радиально-упорный шарикоподшипник, импортное производство по ISO стандарту, размер 360x480x56 номер основного исполнения .
Производитель: NSK.
A = внутренняя модификация конструкции.
Цена по запросу
Цена на подшипник зависит от:
Габаритные размеры
Размеры и геометрические характеристики
Нагрузка и ресурс
Защита
Присоединительные размеры
Конструкция и исполнение
Подшипник однорядный шариковый радиальный 61972 MA (ISB, NKE, SKF)
Подшипник шариковый радиальный 61972 (CX, ISO, ZEN)
Радиальный шарикоподшипник 6972 (KOYO, NSK, NTN)
Цилиндрический роликоподшипник N1972 (CX, ISO)
Цилиндрический роликоподшипник NF1972 (CX, ISO)
Цилиндрический роликоподшипник NP1972 (CX, ISO)