Главная > Подшипники> Шариковые> Радиально-упорные>7968A

7968A — Радиально-упорный шарикоподшипник, импортное производство по ISO стандарту, размер 340x460x56 номер основного исполнения 7968.
Производитель: NSK.
A = внутренняя модификация конструкции.
Цена по запросу
Цена на подшипник зависит от:
| Обозначение | Модификация |
|---|---|
| 7968 | Основное конструктивное исполнение. |
| 7968B | B = однокомпонентное ребристое внутреннее кольцо. |
| 7968BDB | B = 40 градусов угол контакта. DB = два однорядных радиальных шарикоподшипника, однорядные радиально-упорные шарикоподшипники или однорядные конические роликовые подшипники, подходящие для монтажа в расположении друг за другом. |
| 7968L1BDB/GNP5 | GN = нормальная предварительная нагрузка. P = Литой сепаратор из стеклонаполненного полиамида 6,6, центрируемый по телам качения. |
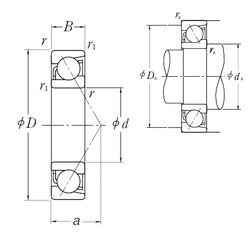
Габаритные размеры
Размеры и геометрические характеристики
Нагрузка и ресурс
Защита
Присоединительные размеры
Конструкция и исполнение
Подшипник шариковый радиальный однорядный 1000968
Подшипник шариковый радиальный однорядный 1000968 Л
Подшипник шариковый радиальный 70-1000968 Л (ГПЗ-23)
Подшипник однорядный шариковый радиальный 61968 (CX, ISO, ZEN)
Подшипник однорядный шариковый радиальный 6968 (KOYO, NIS, NSK, NTN)
Цилиндрический роликоподшипник N1968 (CX, ISO)