Главная > Подшипники> Шариковые> Радиально-упорные>7964A

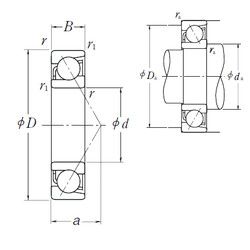
7964A — Радиально-упорный шарикоподшипник, импортное производство по ISO стандарту, размер 320x440x56 номер основного исполнения 7964.
Производитель: NSK.
A = внутренняя модификация конструкции.
Цена по запросу
Цена на подшипник зависит от:
Габаритные размеры
Размеры и геометрические характеристики
Нагрузка и ресурс
Защита
Присоединительные размеры
Конструкция и исполнение
Подшипник шариковый радиальный однорядный 1000964
Подшипник роликовый радиальный 1032964
Подшипник шариковый радиально-упорный однорядный с разъемным внутренним кольцом с трехточечным контактом 1126964
Подшипник шариковый радиальный 1000964 АЛ (ГПЗ-23)
Подшипник шариковый радиальный однорядный 1000964 Л
Подшипник шариковый радиальный 1000964 АЛ3 (ГПЗ-23)