Главная > Подшипники> Шариковые> Радиально-упорные>7960B

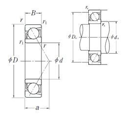
7960B — Радиально-упорный шарикоподшипник, импортное производство по ISO стандарту, размер 300x420x56 номер основного исполнения 7960.
Производитель: NSK.
B = однокомпонентное ребристое внутреннее кольцо.
Цена по запросу
Цена на подшипник зависит от:
| Обозначение | Модификация |
|---|---|
| 7960 | Основное конструктивное исполнение. |
| 7960A | A = внутренняя модификация конструкции. |
| 7960DB | D = профиль наружного кольца, усовершенствованный, с увеличенной зоной несущей нагрузки и оптимизированными краевыми переходами. |
| 7960DT | T = Механически обработанный сепаратор из текстолита, центрируемый по телам качения. |
| 7960BA | A = внутренняя модификация конструкции. |
| 7960DF | Комплект подшипников расположенных лицом к лицу, дуплексная Х-образная пара. |
| 7960/419.5DF | Комплект подшипников расположенных лицом к лицу, дуплексная Х-образная пара. |
Габаритные размеры
Размеры и геометрические характеристики
Нагрузка и ресурс
Защита
Присоединительные размеры
Конструкция и исполнение
Подшипник шариковый радиальный однорядный 61960 (CX, ISO, SKF, ZEN)
Подшипник однорядный шариковый радиальный 61960MA (ISB, NKE, SKF)
Подшипник шариковый радиальный однорядный 1000960
Подшипник шариковый радиальный 1000960Л (EPK)
Подшипник шариковый радиально-упорный однорядный с разъемным внутренним кольцом с трехточечным контактом 1126960
Подшипник шариковый радиально-упорный однорядный с разъемным внутренним кольцом с четырехточечным контактом 1176960