Главная > Подшипники> Шариковые> Радиально-упорные>7956A

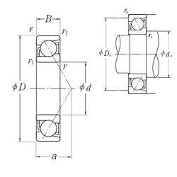
7956A — Радиально-упорный шарикоподшипник, импортное производство по ISO стандарту, размер 280x380x46 номер основного исполнения 7956.
Производитель: NSK.
A = внутренняя модификация конструкции.
Цена по запросу
Цена на подшипник зависит от:
| Обозначение | Модификация |
|---|---|
| 7956 | Основное конструктивное исполнение. |
| 7956B | B = однокомпонентное ребристое внутреннее кольцо. |
| 7956DB | D = профиль наружного кольца, усовершенствованный, с увеличенной зоной несущей нагрузки и оптимизированными краевыми переходами. |
| 7956DT | T = Механически обработанный сепаратор из текстолита, центрируемый по телам качения. |
| 7956DF | Комплект подшипников расположенных лицом к лицу, дуплексная Х-образная пара. |
| 7956CTRSU | С = Необслуживаемые концы стержней, внутренняя резьба. |
| 7956A5TRSU | Угол контакта 25 градусов. |
Габаритные размеры
Размеры и геометрические характеристики
Нагрузка и ресурс
Защита
Присоединительные размеры
Конструкция и исполнение
Подшипник однорядный шариковый радиальный 61956 (CX, ISO, SKF, ZEN)
Подшипник роликовый радиальный с короткими цилиндрическими роликами без бортов на внутреннем кольце 1032956
Подшипник шариковый радиально-упорный однорядный с разъемным внутренним кольцом с трехточечным контактом 1126956
Подшипник однорядный шариковый радиальный 61956 MA (ISB, NKE, SKF)
Подшипник шариковый радиальный однорядный 1000956
Подшипник шариковый радиальный однорядный 1000956 Л1