Главная > Подшипники> Шариковые> Радиально-упорные>7952A

7952A — Подшипник роликовый радиально-упорный, импортное производство по ISO стандарту, размер 260x360x46 номер основного исполнения 7952.
Производитель: NSK.
A = внутренняя модификация конструкции.
Цена по запросу
Цена на подшипник зависит от:
| Обозначение | Модификация |
|---|---|
| 7952 | Основное конструктивное исполнение. |
| 7952B | B = однокомпонентное ребристое внутреннее кольцо. |
| 7952DF | Комплект подшипников расположенных лицом к лицу, дуплексная Х-образная пара. |
| 7952DB | D = профиль наружного кольца, усовершенствованный, с увеличенной зоной несущей нагрузки и оптимизированными краевыми переходами. |
| 7952DT | T = Механически обработанный сепаратор из текстолита, центрируемый по телам качения. |
| 7952DFP5 | P5 = Подшипники 5-го класса точности DIN |
| 7952CTRSU | С = Необслуживаемые концы стержней, внутренняя резьба. |
| 7952A5TRSU | Угол контакта 25 градусов. |
| 7952DB/GNP5 | GN = нормальная предварительная нагрузка. P = Литой сепаратор из стеклонаполненного полиамида 6,6, центрируемый по телам качения. |
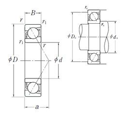
Габаритные размеры
Размеры и геометрические характеристики
Нагрузка и ресурс
Защита
Присоединительные размеры
Конструкция и исполнение
Подшипник шариковый радиальный однорядный 1000952
Подшипник роликовый радиальный с короткими цилиндрическими роликами без бортов на внутреннем кольце 1032952
Подшипник шариковый радиальный однорядный 1000952 Л
Подшипник шариковый радиальный 2В0-1000952 Л (ГПЗ-1)
Подшипник шариковый радиальный С8-1000952 Л (ГПЗ-1)
Подшипник роликовый радиальный с короткими цилиндрическими роликами без бортов на внутреннем кольце 1032952 М