Главная > Подшипники> Шариковые> Радиально-упорные>7948B

7948B — Радиально-упорный шарикоподшипник, импортное производство по ISO стандарту, размер 240x320x38 номер основного исполнения 7948.
Производится брендами: KOYO, NSK.
B = однокомпонентное ребристое внутреннее кольцо.
Цена по запросу
Цена на подшипник зависит от:
| Обозначение | Модификация |
|---|---|
| 7948 | Основное конструктивное исполнение. |
| 7948A | A = внутренняя модификация конструкции. |
| 7948DT | T = Механически обработанный сепаратор из текстолита, центрируемый по телам качения. |
| 7948DB | D = профиль наружного кольца, усовершенствованный, с увеличенной зоной несущей нагрузки и оптимизированными краевыми переходами. |
| 7948DF | Комплект подшипников расположенных лицом к лицу, дуплексная Х-образная пара. |
| 7948CTRSU | С = Необслуживаемые концы стержней, внутренняя резьба. |
| 7948A5TRSU | Угол контакта 25 градусов. |
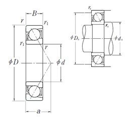
Габаритные размеры
Размеры и геометрические характеристики
Нагрузка и ресурс
Защита
Присоединительные размеры
Конструкция и исполнение
Подшипник шариковый радиальный однорядный 1000948
Подшипник роликовый радиальный с короткими цилиндрическими роликами без бортов на внутреннем кольце 1032948
Подшипник шариковый радиальный однорядный 1000948 Л
Подшипник шариковый радиальный однорядный 20-1000948 Л (ГПЗ-1)
Подшипник шариковый радиальный 2В0-1000948 Л (ГПЗ-1)
Подшипник шариковый радиальный однорядный 6-1000948 Л (ГПЗ-1)