Главная > Подшипники> Шариковые> Радиально-упорные>7944B

7944B — Радиально-упорный шарикоподшипник, импортное производство по ISO стандарту, размер 220x300x38 номер основного исполнения 7944.
Производитель: NSK.
B = однокомпонентное ребристое внутреннее кольцо.
Цена по запросу
Цена на подшипник зависит от:
| Обозначение | Модификация |
|---|---|
| 7944 | Основное конструктивное исполнение. |
| 7944A | A = внутренняя модификация конструкции. |
| 7944DF | Комплект подшипников расположенных лицом к лицу, дуплексная Х-образная пара. |
| 7944DB | D = профиль наружного кольца, усовершенствованный, с увеличенной зоной несущей нагрузки и оптимизированными краевыми переходами. |
| 7944DT | T = Механически обработанный сепаратор из текстолита, центрируемый по телам качения. |
| F-7944DB | D = профиль наружного кольца, усовершенствованный, с увеличенной зоной несущей нагрузки и оптимизированными краевыми переходами. |
| 7944CTRSU | С = Необслуживаемые концы стержней, внутренняя резьба. |
| 7944A5TRSU | Угол контакта 25 градусов. |
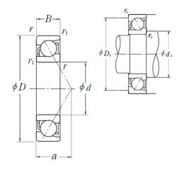
Габаритные размеры
Размеры и геометрические характеристики
Нагрузка и ресурс
Защита
Присоединительные размеры
Конструкция и исполнение
Подшипник шариковый радиальный однорядный 1000944
Подшипник шариковый радиальный 1000944 АЛ (ГПЗ-23)
Подшипник шариковый радиальный однорядный 1000944 Л
Подшипник шариковый радиальный 2В0-1000944 Л (ГПЗ-1)
Подшипник шариковый радиальный 6-1000944 Л (ГПЗ-1)