Главная > Подшипники> Шариковые> Радиально-упорные>7938C

7938C — Подшипник шариковый радиально-упорный, импортное производство по ISO стандарту, размер 190x260x33 номер основного исполнения 7938.
Производится брендами: CYSD, KOYO, NSK.
С = Необслуживаемые концы стержней, внутренняя резьба.
Цена от:91 652 р.
Цена на подшипник зависит от:
| Обозначение | Модификация |
|---|---|
| 7938 | Основное конструктивное исполнение. |
| 7938DT | T = Механически обработанный сепаратор из текстолита, центрируемый по телам качения. |
| 7938DF | Комплект подшипников расположенных лицом к лицу, дуплексная Х-образная пара. |
| 7938DB | D = профиль наружного кольца, усовершенствованный, с увеличенной зоной несущей нагрузки и оптимизированными краевыми переходами. |
| 7938CDF | Комплект подшипников расположенных лицом к лицу, дуплексная Х-образная пара. |
| 7938CPA | С = Необслуживаемые концы стержней, внутренняя резьба. |
| 7938BDB | B = 40 градусов угол контакта. DB = два однорядных радиальных шарикоподшипника, однорядные радиально-упорные шарикоподшипники или однорядные конические роликовые подшипники, подходящие для монтажа в расположении друг за другом. |
| 7938CDT | С = Необслуживаемые концы стержней, внутренняя резьба. |
| 7938CDB | С = Необслуживаемые концы стержней, внутренняя резьба. |
| 7938CTRSU | С = Необслуживаемые концы стержней, внутренняя резьба. |
| 7938A5TRSU | Угол контакта 25 градусов. |
| 7938L1BDB/GLP4L | B = 40 градусов угол контакта. DB = два однорядных радиальных шарикоподшипника, однорядные радиально-упорные шарикоподшипники или однорядные конические роликовые подшипники, подходящие для монтажа в расположении друг за другом. |
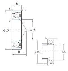
Габаритные размеры
Размеры и геометрические характеристики
Нагрузка и ресурс
Защита
Коэффициенты для расчета
Присоединительные размеры
Конструкция и исполнение
Подшипник шариковый радиальный однорядный 1000938
Подшипник шариковый радиальный 1000938 АЛ (ГПЗ-23)
Подшипник шариковый радиальный 5-1000938 Л (ГПЗ-23)
Подшипник роликовый радиальный с короткими цилиндрическими роликами без бортов на наружном кольце 1002938
Подшипник роликовый радиальный с короткими цилиндрическими роликами без бортов на внутреннем кольце 1032938
Подшипник роликовый радиальный с короткими цилиндрическими роликами без бортов на внутреннем кольце 56-1032938 Р1У (ГПЗ-4)