Главная > Подшипники> Шариковые> Радиально-упорные>7928 A5

7928 A5 — Радиально-упорный шарикоподшипник, импортное производство по ISO стандарту, размер 140x190x24 номер основного исполнения 7928.
Производитель: NSK.
A = внутренняя модификация конструкции.
Цена от:18 109 р.
Цена на подшипник зависит от:
| Обозначение | Модификация |
|---|---|
| 7928 | Основное конструктивное исполнение. |
| 7928C | С = Необслуживаемые концы стержней, внутренняя резьба. |
| 7928B | B = однокомпонентное ребристое внутреннее кольцо. |
| 7928DT | T = Механически обработанный сепаратор из текстолита, центрируемый по телам качения. |
| 7928DF | Комплект подшипников расположенных лицом к лицу, дуплексная Х-образная пара. |
| 7928DB | D = профиль наружного кольца, усовершенствованный, с увеличенной зоной несущей нагрузки и оптимизированными краевыми переходами. |
| 7928CDB | С = Необслуживаемые концы стержней, внутренняя резьба. |
| 7928CDF | Комплект подшипников расположенных лицом к лицу, дуплексная Х-образная пара. |
| 7928CPA | С = Необслуживаемые концы стержней, внутренняя резьба. |
| 7928CDT | С = Необслуживаемые концы стержней, внутренняя резьба. |
| 7928CTRSU | С = Необслуживаемые концы стержней, внутренняя резьба. |
| 7928A5TRSU | Угол контакта 25 градусов. |
| 7928CT1B/GNP42 | GN = нормальная предварительная нагрузка. P = Литой сепаратор из стеклонаполненного полиамида 6,6, центрируемый по телам качения. |
| 5S-7928CT1B/GNP42 | GN = нормальная предварительная нагрузка. P = Литой сепаратор из стеклонаполненного полиамида 6,6, центрируемый по телам качения. |
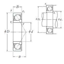
Габаритные размеры
Размеры и геометрические характеристики
Нагрузка и ресурс
Защита
Присоединительные размеры
Конструкция и исполнение
Подшипник шариковый радиальный однорядный 1000928
Подшипник шариковый однорядный радиально-упорный B71928 C.T.P4S.UL (FAG)
Подшипник шариковый однорядный радиально-упорный B71928 E.T.P4S.UL (FAG)
Подшипник однорядный шариковый радиальный 61928 MA.C3 (SKF)
Подшипник шариковый радиальный однорядный 1000928 Л