Главная > Подшипники> Шариковые> Радиально-упорные>7926 A5

7926 A5 — Радиально-упорный шарикоподшипник, импортное производство по ISO стандарту, размер 130x180x24 номер основного исполнения 7926.
Производитель: NSK.
A = внутренняя модификация конструкции.
Цена от:16 054 р.
Цена на подшипник зависит от:
| Обозначение | Модификация |
|---|---|
| 7926 | Основное конструктивное исполнение. |
| 7926C | С = Необслуживаемые концы стержней, внутренняя резьба. |
| 7926DT | T = Механически обработанный сепаратор из текстолита, центрируемый по телам качения. |
| 7926DB | D = профиль наружного кольца, усовершенствованный, с увеличенной зоной несущей нагрузки и оптимизированными краевыми переходами. |
| 7926DF | Комплект подшипников расположенных лицом к лицу, дуплексная Х-образная пара. |
| 7926CPA | С = Необслуживаемые концы стержней, внутренняя резьба. |
| 7926CDB | С = Необслуживаемые концы стержней, внутренняя резьба. |
| 7926CDT | С = Необслуживаемые концы стержней, внутренняя резьба. |
| 7926CDF | Комплект подшипников расположенных лицом к лицу, дуплексная Х-образная пара. |
| 7926CTRSU | С = Необслуживаемые концы стержней, внутренняя резьба. |
| 7926A5TRSU | Угол контакта 25 градусов. |
| 7926UDB/GNP5 | GN = нормальная предварительная нагрузка. P = Литой сепаратор из стеклонаполненного полиамида 6,6, центрируемый по телам качения. |
| 7926UCG/GNP42 | GN = нормальная предварительная нагрузка. P = Литой сепаратор из стеклонаполненного полиамида 6,6, центрируемый по телам качения. |
| 7926CT1G/GMUP | UP = Специальный класс допуска для подшипников шпинделя станка. |
| 7926UADG/GNP42 | GN = нормальная предварительная нагрузка. P = Литой сепаратор из стеклонаполненного полиамида 6,6, центрируемый по телам качения. |
| 5S-7926UCG/GNP42 | GN = нормальная предварительная нагрузка. P = Литой сепаратор из стеклонаполненного полиамида 6,6, центрируемый по телам качения. |
| 5S-7926UADG/GNP42 | GN = нормальная предварительная нагрузка. P = Литой сепаратор из стеклонаполненного полиамида 6,6, центрируемый по телам качения. |
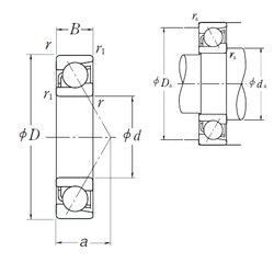
Габаритные размеры
Размеры и геометрические характеристики
Нагрузка и ресурс
Защита
Присоединительные размеры
Конструкция и исполнение
Подшипник однорядный шариковый радиальный 61926 (CX, ISB, ISO, NKE, SIGMA)
Подшипник шариковый радиальный однорядный 1000926
Подшипник шариковый однорядный радиально-упорный B71926 C.T.P4S.UL (FAG)
Подшипник шариковый однорядный радиально-упорный HS71926 C.T.P4S.UL (FAG)