Главная > Подшипники> Шариковые> Радиально-упорные>7924 A5

7924 A5 — Радиально-упорный шарикоподшипник, импортное производство по ISO стандарту, размер 120x165x22 номер основного исполнения 7924.
Производитель: NSK.
A = внутренняя модификация конструкции.
Цена от:100 162 р.
Цена на подшипник зависит от:
| Обозначение | Модификация |
|---|---|
| 7924 | Основное конструктивное исполнение. |
| 7924C | С = Необслуживаемые концы стержней, внутренняя резьба. |
| 7924DT | T = Механически обработанный сепаратор из текстолита, центрируемый по телам качения. |
| 7924DF | Комплект подшипников расположенных лицом к лицу, дуплексная Х-образная пара. |
| 7924DB | D = профиль наружного кольца, усовершенствованный, с увеличенной зоной несущей нагрузки и оптимизированными краевыми переходами. |
| 7924CDT | С = Необслуживаемые концы стержней, внутренняя резьба. |
| 7924CDB | С = Необслуживаемые концы стержней, внутренняя резьба. |
| 7924CDF | Комплект подшипников расположенных лицом к лицу, дуплексная Х-образная пара. |
| 7924CPA | С = Необслуживаемые концы стержней, внутренняя резьба. |
| 7924CTRSU | С = Необслуживаемые концы стержней, внутренняя резьба. |
| 7924A5TRSU | Угол контакта 25 градусов. |
| 7924CG/GNP4 | GN = нормальная предварительная нагрузка. P = Литой сепаратор из стеклонаполненного полиамида 6,6, центрируемый по телам качения. |
| 7924UCG/GNP42 | GN = нормальная предварительная нагрузка. P = Литой сепаратор из стеклонаполненного полиамида 6,6, центрируемый по телам качения. |
| 7924UADG/GNP42 | GN = нормальная предварительная нагрузка. P = Литой сепаратор из стеклонаполненного полиамида 6,6, центрируемый по телам качения. |
| 7924CDB/GHUP-4 | UP = Специальный класс допуска для подшипников шпинделя станка. |
| 7924UCDB/GHUP-4 | UP = Специальный класс допуска для подшипников шпинделя станка. |
| 5S-7924UCG/GNP42 | GN = нормальная предварительная нагрузка. P = Литой сепаратор из стеклонаполненного полиамида 6,6, центрируемый по телам качения. |
| 5S-7924UADG/GNP42 | GN = нормальная предварительная нагрузка. P = Литой сепаратор из стеклонаполненного полиамида 6,6, центрируемый по телам качения. |
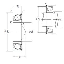
Габаритные размеры
Размеры и геометрические характеристики
Нагрузка и ресурс
Защита
Присоединительные размеры
Конструкция и исполнение
Подшипник однорядный шариковый радиальный 61924 (CX, ISB, ISO, NKE, SIGMA)
Подшипник шариковый однорядный радиально-упорный HS71924 C.T.P4S.UL (FAG)
Подшипник шариковый однорядный радиально-упорный HS71924 E.T.P4S.UL (FAG)