Главная > Подшипники> Шариковые> Радиально-упорные>7919 A5

7919 A5 — Радиально-упорный шарикоподшипник, импортное производство по ISO стандарту, размер 95x130x18 номер основного исполнения 7919.
Производитель: NSK.
A = внутренняя модификация конструкции.
Цена от:15 628 р.
Цена на подшипник зависит от:
| Обозначение | Модификация |
|---|---|
| 7919 | Основное конструктивное исполнение. |
| 7919C | С = Необслуживаемые концы стержней, внутренняя резьба. |
| 7919DT | T = Механически обработанный сепаратор из текстолита, центрируемый по телам качения. |
| 7919DB | D = профиль наружного кольца, усовершенствованный, с увеличенной зоной несущей нагрузки и оптимизированными краевыми переходами. |
| 7919DF | Комплект подшипников расположенных лицом к лицу, дуплексная Х-образная пара. |
| 7919CDB | С = Необслуживаемые концы стержней, внутренняя резьба. |
| 7919CDF | Комплект подшипников расположенных лицом к лицу, дуплексная Х-образная пара. |
| 7919CPA | С = Необслуживаемые концы стержней, внутренняя резьба. |
| 7919CDT | С = Необслуживаемые концы стержней, внутренняя резьба. |
| 7919CTRSU | С = Необслуживаемые концы стержней, внутренняя резьба. |
| 7919A5TRSU | Угол контакта 25 градусов. |
| 7919UCG/GNP4 | GN = нормальная предварительная нагрузка. P = Литой сепаратор из стеклонаполненного полиамида 6,6, центрируемый по телам качения. |
| 7919CDB/GMP5 | М = Механически обработанный латунный сепаратор, центрируемый по телам качения. P5 = Точность размеров и вращения соответствуют классу точности 5 ISO. |
| 7919DTBT/GMP4 | М = Механически обработанный латунный сепаратор, центрируемый по телам качения. P4 = Точность размеров и вращения соответствуют классу точности 4 ISO. |
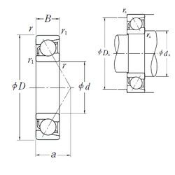
Габаритные размеры
Размеры и геометрические характеристики
Нагрузка и ресурс
Защита
Присоединительные размеры
Конструкция и исполнение
Подшипник шариковый однорядный радиально-упорный B71919 C.T.P4S.UL (FAG)
Подшипник шариковый однорядный радиально-упорный HS71919 C.T.P4S.UL (FAG)
Подшипник шариковый однорядный радиально-упорный HS71919 E.T.P4S.UL (FAG)