Главная > Подшипники> Шариковые> Радиально-упорные>7911 A5

7911 A5 — Радиально-упорный шарикоподшипник, импортное производство по ISO стандарту, размер 55x80x13 номер основного исполнения 7911.
Производитель: NSK.
A = внутренняя модификация конструкции.
Цена от:10 166 р.
Цена на подшипник зависит от:
| Обозначение | Модификация |
|---|---|
| 7911 | Основное конструктивное исполнение. |
| 7911C | С = Необслуживаемые концы стержней, внутренняя резьба. |
| 7911DF | Комплект подшипников расположенных лицом к лицу, дуплексная Х-образная пара. |
| 7911DT | T = Механически обработанный сепаратор из текстолита, центрируемый по телам качения. |
| 7911DB | D = профиль наружного кольца, усовершенствованный, с увеличенной зоной несущей нагрузки и оптимизированными краевыми переходами. |
| 7911CDT | С = Необслуживаемые концы стержней, внутренняя резьба. |
| 7911CPA | С = Необслуживаемые концы стержней, внутренняя резьба. |
| 7911CDF | Комплект подшипников расположенных лицом к лицу, дуплексная Х-образная пара. |
| 7911CDB | С = Необслуживаемые концы стержней, внутренняя резьба. |
| 7911UCP4 | P4 = Точность размеров и вращения соответствуют классу точности 4 ISO. |
| 7911CTRSU | С = Необслуживаемые концы стержней, внутренняя резьба. |
| 7911A5TRSU | Угол контакта 25 градусов. |
| 7911UCG/GLP4 | P4 = Точность размеров и вращения соответствуют классу точности 4 ISO. |
| 7911UCG/GNP4 | GN = нормальная предварительная нагрузка. P = Литой сепаратор из стеклонаполненного полиамида 6,6, центрируемый по телам качения. |
| 7911UCG/GNP42 | GN = нормальная предварительная нагрузка. P = Литой сепаратор из стеклонаполненного полиамида 6,6, центрируемый по телам качения. |
| 7911UCDB/GLP4 | B = 40 градусов угол контакта. G = Однорядный радиально-упорный шарикоподшипник для универсального парного монтажа. Два подшипника, установленные по 0-образной или Х-образной схеме, будут иметь определенный осевой зазор в домонтажном состоянии. |
| 7911T1DF/GNP4 | GN = нормальная предварительная нагрузка. P = Литой сепаратор из стеклонаполненного полиамида 6,6, центрируемый по телам качения. |
| 7911UADG/GNP42 | GN = нормальная предварительная нагрузка. P = Литой сепаратор из стеклонаполненного полиамида 6,6, центрируемый по телам качения. |
| 5S-7911UCG/GNP42 | GN = нормальная предварительная нагрузка. P = Литой сепаратор из стеклонаполненного полиамида 6,6, центрируемый по телам качения. |
| 5S-7911UADG/GNP42 | GN = нормальная предварительная нагрузка. P = Литой сепаратор из стеклонаполненного полиамида 6,6, центрируемый по телам качения. |
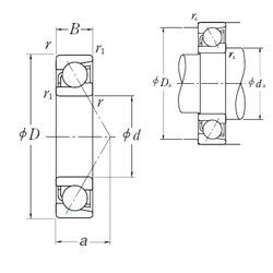
Габаритные размеры
Размеры и геометрические характеристики
Нагрузка и ресурс
Защита
Присоединительные размеры
Конструкция и исполнение
Подшипник однорядный шариковый радиальный 61911 (CRAFT, CX, FAG, IBC, ISB)
Подшипник шариковый однорядный радиально-упорный HS71911 C.T.P4S.UL (FAG)
Подшипник шариковый однорядный радиально-упорный HS71911 E.T.P4S.UL (FAG)
Подшипник однорядный шариковый радиальный 61911 2Z.C3 (IBC)
Подшипник однорядный шариковый радиальный 61911 C3 (IBC)