Главная > Подшипники> Шариковые> Радиально-упорные>7910AC

7910AC — Радиально-упорный шарикоподшипник, импортное производство по ISO стандарту, размер 50x72x12 номер основного исполнения 7910.
Производитель: NACHI.
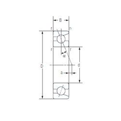
AC = Угол контакта 25 градусов.
Цена от:6 079 р.
Цена на подшипник зависит от:
| Обозначение | Модификация |
|---|---|
| 7910 | Основное конструктивное исполнение. |
| 7910C | С = Необслуживаемые концы стержней, внутренняя резьба. |
| 7910DF | Комплект подшипников расположенных лицом к лицу, дуплексная Х-образная пара. |
| 7910DB | D = профиль наружного кольца, усовершенствованный, с увеличенной зоной несущей нагрузки и оптимизированными краевыми переходами. |
| 7910DT | T = Механически обработанный сепаратор из текстолита, центрируемый по телам качения. |
| 7910CDT | С = Необслуживаемые концы стержней, внутренняя резьба. |
| 7910CDB | С = Необслуживаемые концы стержней, внутренняя резьба. |
| 7910CPA | С = Необслуживаемые концы стержней, внутренняя резьба. |
| 7910CDF | Комплект подшипников расположенных лицом к лицу, дуплексная Х-образная пара. |
| 7910 A5 | A = внутренняя модификация конструкции. |
| 7910CTRSU | С = Необслуживаемые концы стержней, внутренняя резьба. |
| 7910A5TRSU | Угол контакта 25 градусов. |
| 7910UG/GMP42 | М = Механически обработанный латунный сепаратор, центрируемый по телам качения. P4 = Точность размеров и вращения соответствуют классу точности 4 ISO. |
| 7910UCG/GNP4 | GN = нормальная предварительная нагрузка. P = Литой сепаратор из стеклонаполненного полиамида 6,6, центрируемый по телам качения. |
| 7910CDB/GNP4 | GN = нормальная предварительная нагрузка. P = Литой сепаратор из стеклонаполненного полиамида 6,6, центрируемый по телам качения. |
| 7910CDBT/GMP4 | М = Механически обработанный латунный сепаратор, центрируемый по телам качения. P4 = Точность размеров и вращения соответствуют классу точности 4 ISO. |
| 7910UCG/GNP42 | GN = нормальная предварительная нагрузка. P = Литой сепаратор из стеклонаполненного полиамида 6,6, центрируемый по телам качения. |
| 7910UADG/GNP42 | GN = нормальная предварительная нагрузка. P = Литой сепаратор из стеклонаполненного полиамида 6,6, центрируемый по телам качения. |
| 7910UADG/G8UP-5 | P5 = Подшипники 5-го класса точности DIN |
| 7910T1DBT/G035P4 | P4 = Точность размеров и вращения соответствуют классу точности 4 ISO. |
| 5S-7910UCG/GNP42 | GN = нормальная предварительная нагрузка. P = Литой сепаратор из стеклонаполненного полиамида 6,6, центрируемый по телам качения. |
| 7910CDLLBG/GNP42 | LLB = Уплотнение из синтетического каучука бесконтактного типа. |
| 7910ADLLBG/GNP42 | LLB = Уплотнение из синтетического каучука бесконтактного типа. |
| 5S-7910UADG/GNP42 | GN = нормальная предварительная нагрузка. P = Литой сепаратор из стеклонаполненного полиамида 6,6, центрируемый по телам качения. |
| 5S-7910ADLLBG/GNP42 | LLB = Уплотнение из синтетического каучука бесконтактного типа. |
| 5S-7910CDLLBG/GNP42 | LLB = Уплотнение из синтетического каучука бесконтактного типа. |
Габаритные размеры
Размеры и геометрические характеристики
Нагрузка и ресурс
Защита
Присоединительные размеры
Конструкция и исполнение
Подшипник однорядный шариковый радиальный 61910 (CRAFT, CX, FAG, IBC, ISB)
Подшипник шариковый однорядный радиально-упорный B71910 C.T.P4S.UL (FAG)
Подшипник шариковый однорядный радиально-упорный HS71910 E.T.P4S.UL (FAG)