Главная > Подшипники> Шариковые> Радиально-упорные>7909AC

7909AC — Радиально-упорный шарикоподшипник, импортное производство по ISO стандарту, размер 45x68x12 номер основного исполнения 7909.
Производитель: NACHI.
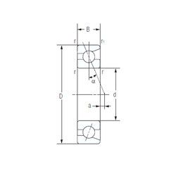
AC = Угол контакта 25 градусов.
Цена от:2 934 р.
Цена на подшипник зависит от:
| Обозначение | Модификация |
|---|---|
| 7909 | Основное конструктивное исполнение. |
| 7909C | С = Необслуживаемые концы стержней, внутренняя резьба. |
| 7909DF | Комплект подшипников расположенных лицом к лицу, дуплексная Х-образная пара. |
| 7909DB | D = профиль наружного кольца, усовершенствованный, с увеличенной зоной несущей нагрузки и оптимизированными краевыми переходами. |
| 7909DT | T = Механически обработанный сепаратор из текстолита, центрируемый по телам качения. |
| 6-7909 | |
| 7909 A5 | A = внутренняя модификация конструкции. |
| 7909CDF | Комплект подшипников расположенных лицом к лицу, дуплексная Х-образная пара. |
| 7909CPA | С = Необслуживаемые концы стержней, внутренняя резьба. |
| 7909CDT | С = Необслуживаемые концы стержней, внутренняя резьба. |
| 7909CDB | С = Необслуживаемые концы стержней, внутренняя резьба. |
| 7909CTRSU | С = Необслуживаемые концы стержней, внутренняя резьба. |
| 7909A5TRSU | Угол контакта 25 градусов. |
| 7909CG/GLP4 | P4 = Точность размеров и вращения соответствуют классу точности 4 ISO. |
| 7909CG/GNP4 | GN = нормальная предварительная нагрузка. P = Литой сепаратор из стеклонаполненного полиамида 6,6, центрируемый по телам качения. |
| 7909UCG/GNP4 | GN = нормальная предварительная нагрузка. P = Литой сепаратор из стеклонаполненного полиамида 6,6, центрируемый по телам качения. |
| 7909UG/GMP42 | М = Механически обработанный латунный сепаратор, центрируемый по телам качения. P4 = Точность размеров и вращения соответствуют классу точности 4 ISO. |
| 7909UCG/GNP42 | GN = нормальная предварительная нагрузка. P = Литой сепаратор из стеклонаполненного полиамида 6,6, центрируемый по телам качения. |
| 7909UADG/GNP42 | GN = нормальная предварительная нагрузка. P = Литой сепаратор из стеклонаполненного полиамида 6,6, центрируемый по телам качения. |
| 7909ADLLBG/GNP42 | LLB = Уплотнение из синтетического каучука бесконтактного типа. |
| 7909CDLLBG/GNP42 | LLB = Уплотнение из синтетического каучука бесконтактного типа. |
| 5S-7909UCG/GNP42 | GN = нормальная предварительная нагрузка. P = Литой сепаратор из стеклонаполненного полиамида 6,6, центрируемый по телам качения. |
| 5S-7909UADG/GNP42 | GN = нормальная предварительная нагрузка. P = Литой сепаратор из стеклонаполненного полиамида 6,6, центрируемый по телам качения. |
| 5S-7909CDLLBG/GNP42 | LLB = Уплотнение из синтетического каучука бесконтактного типа. |
| 5S-7909ADLLBG/GNP42 | LLB = Уплотнение из синтетического каучука бесконтактного типа. |
| Техника | Модель | Агрегат |
|---|---|---|
| Трактор | Т-75 | Колесо направляющее |
| Трактор | Т-74 | Подвеска/ось катка опорного |
| Трактор | Т-75 | Подвеска/ось катка опорного |
Габаритные размеры
Размеры и геометрические характеристики
Нагрузка и ресурс
Защита
Присоединительные размеры
Конструкция и исполнение
Подшипник однорядный шариковый радиальный 61909 (CRAFT, CX, FAG, Fersa, INA)
Подшипник шариковый однорядный радиально-упорный B71909 C.T.P4S.UL (FAG)
Подшипник шариковый однорядный радиально-упорный B71909 E.T.P4S.UL (FAG)